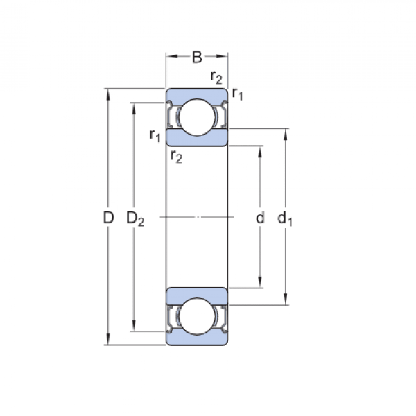
Ložisko 6004 2RSH - SKF

Rozmer: 20x42x12 Značka: SKF
Skladom 365 ks na dopyt
+
-
ks