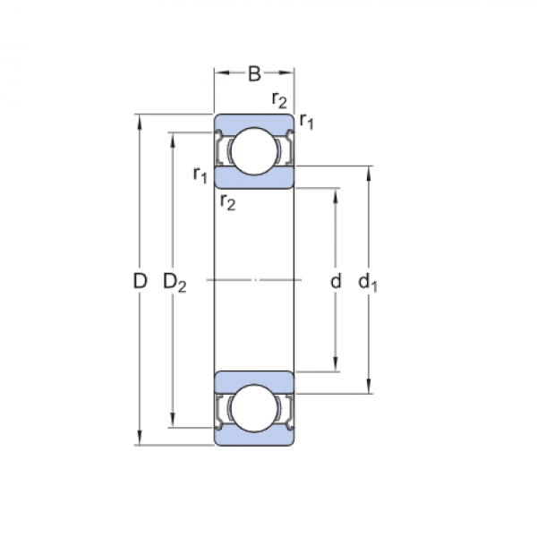
Ložisko 6004 2RSHTN9/C4HT- SKF

Rozmer: 20x42x12 Značka: SKF
Skladom 4 ks na dopyt
+
-
ks