Ložisko 6004 2Z - CX

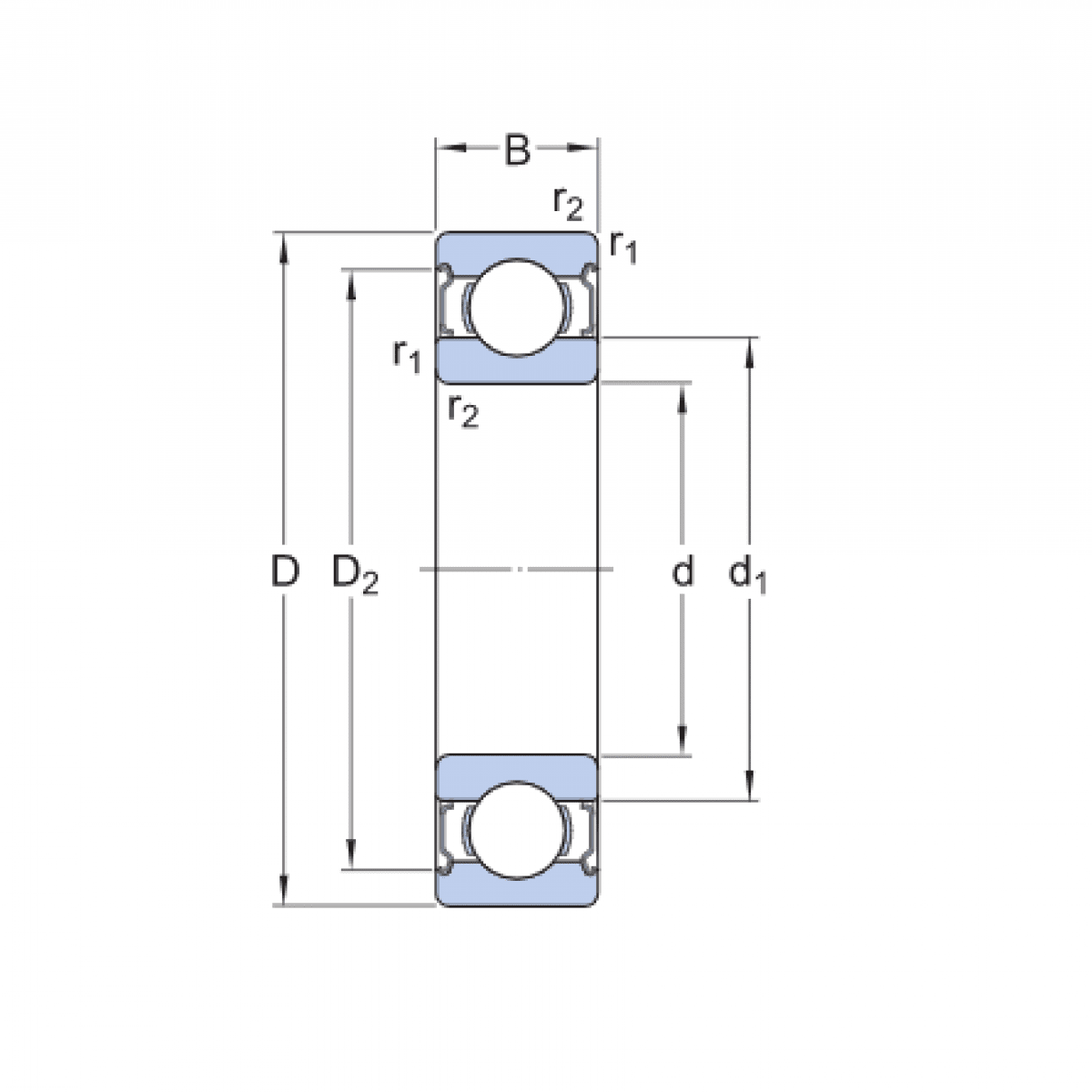
Rozmer: 20x42x12 Značka: CX
Skladom 56 ks na dopyt
+
-
ks