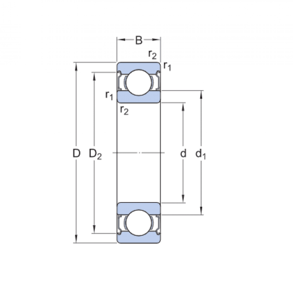
Ložisko 6004 2Z - NEU

Rozmer: 20x42x12 Značka: NEU
Skladom 1 ks na dopyt
+
-
ks