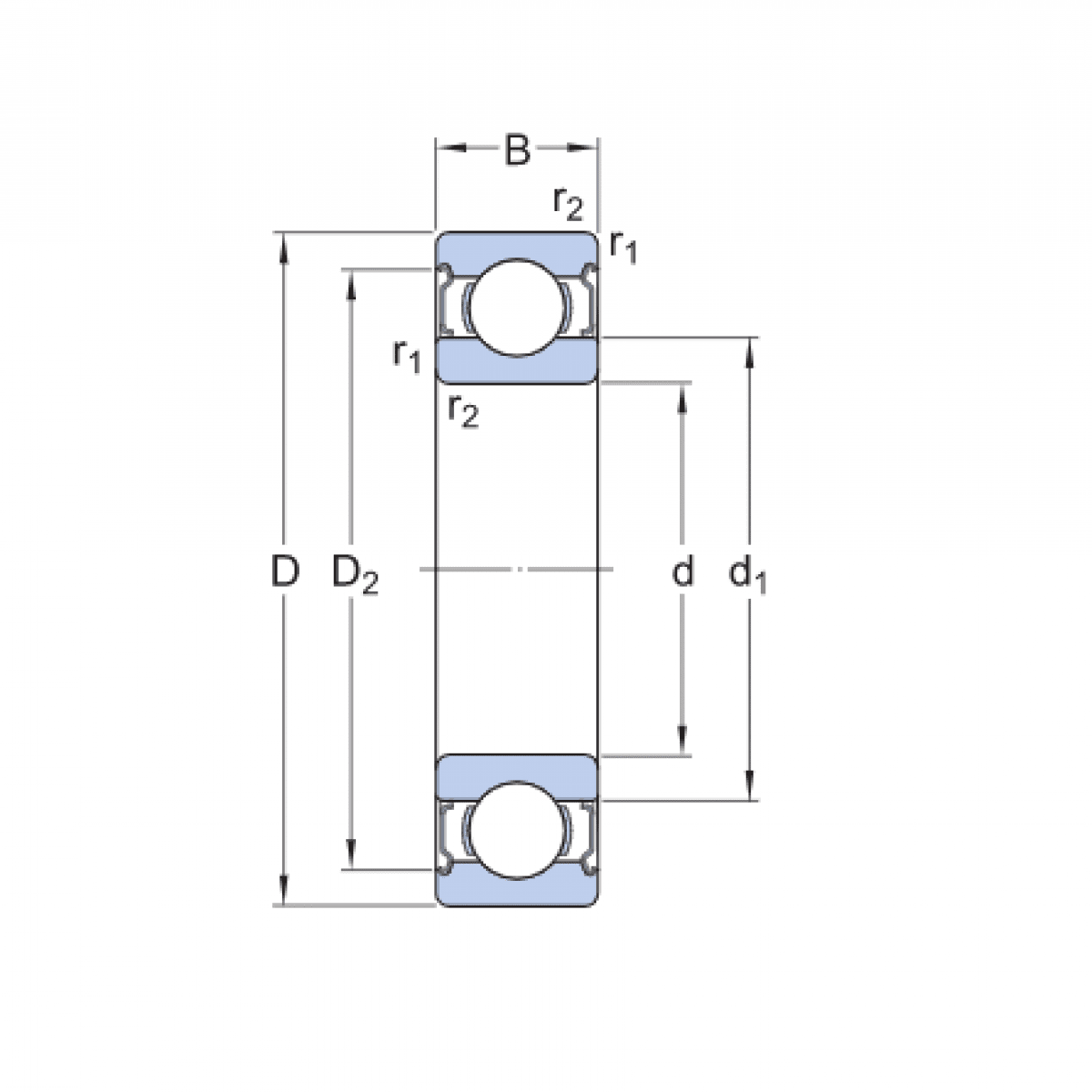
Ložisko 6004 2Z P66 - DKF

Rozmer: 20x42x12 Značka: DKF
Externý sklad na dopyt
+
-
ks