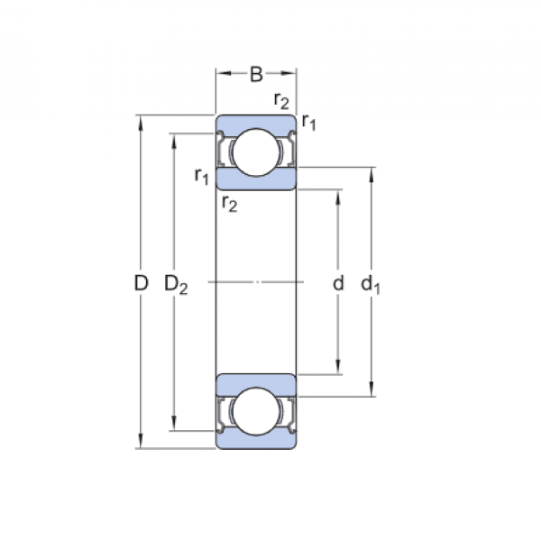
Ložisko 6004 RS - COM

Rozmer: 20x42x12 Značka: CHINA+OSTATNÉ
Skladom 1 ks na dopyt
+
-
ks