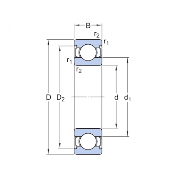
Ložisko 6005 /25,4 2RS - NEU

Rozmer: 25,4x47x12 Značka: NEU
Externý sklad na dopyt
+
-
ks