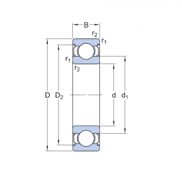
Ložisko 6005 2RS C3 - ZKL NEW

Rozmer: 25x47x12 Značka: ZKL
Externý sklad na dopyt
+
-
ks