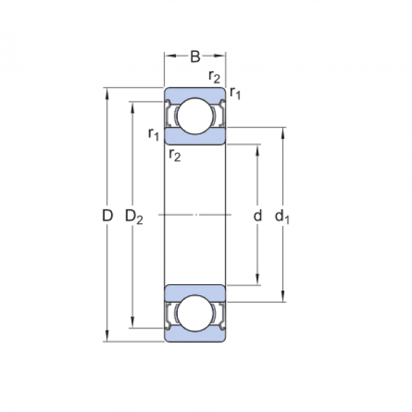
Ložisko 6005 2RS P6 - BBC

Rozmer: 25x47x12 Značka: BBC
Externý sklad na dopyt
+
-
ks