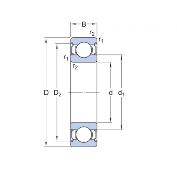
Ložisko 6005 2RSH - SKF

Rozmer: 25x47x12 Značka: SKF
Skladom 278 ks na dopyt
+
-
ks