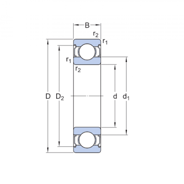
Ložisko 6005 2RSR C3 - FAG

Rozmer: 25x47x12 Značka: FAG
Externý sklad na dopyt
+
-
ks