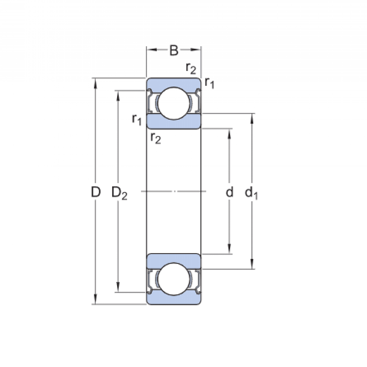
Ložisko 6005 2RZTN9/C3VT162 - SKF

Rozmer: 25x47x12 Značka: SKF
Skladom 2 ks na dopyt
+
-
ks