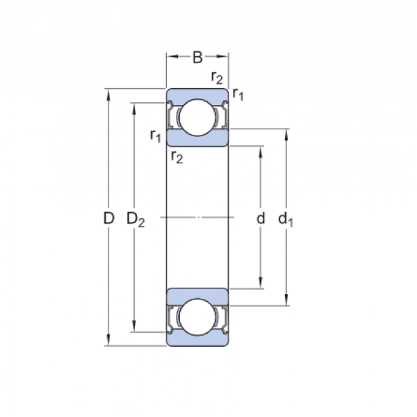
Ložisko 6005 2Z C3 - KOYO

Rozmer: 25x47x12 Značka: KOYO-TORRINGTON
Externý sklad na dopyt
+
-
ks