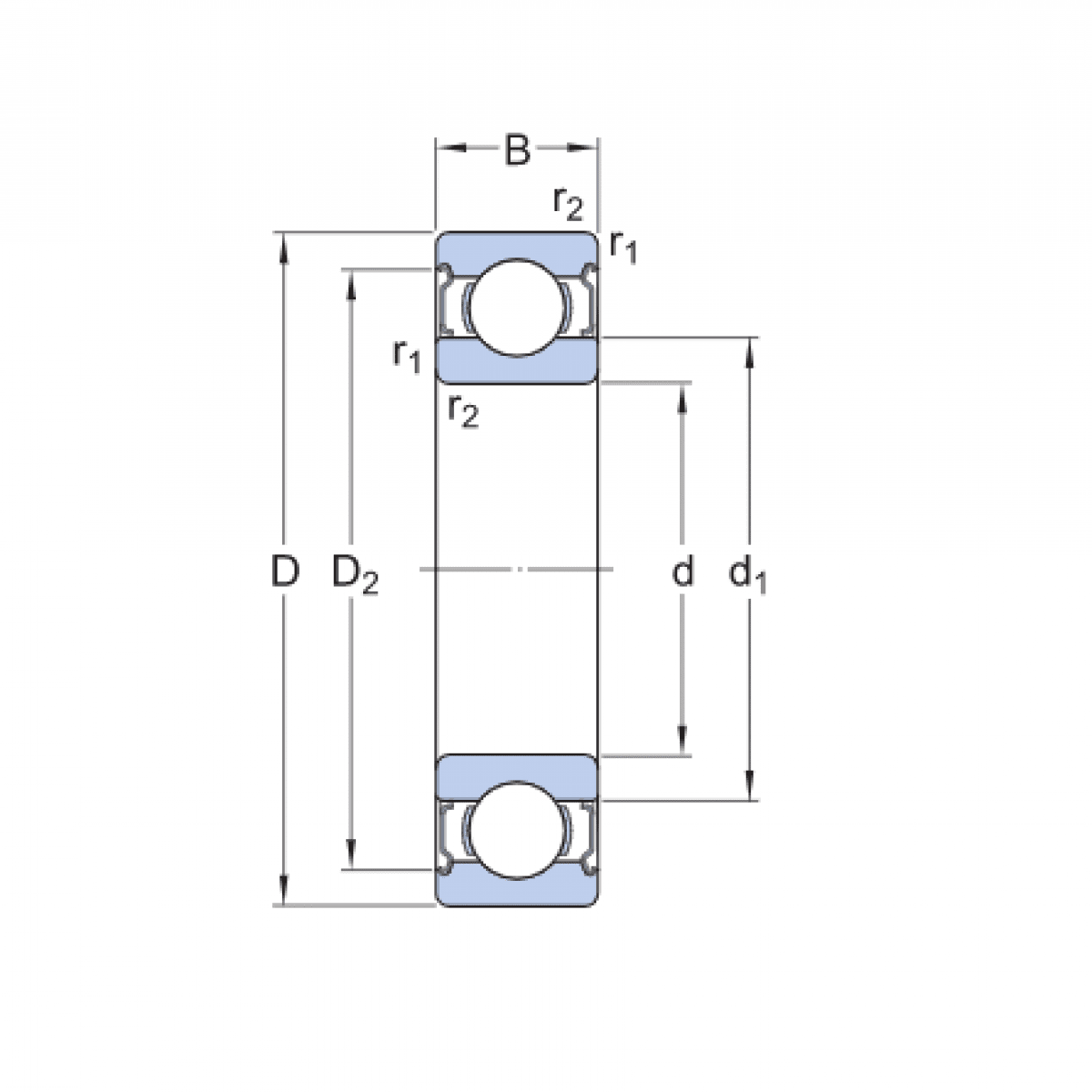
Ložisko 6005 2Z C3 - ZEN

Rozmer: 25x47x12
Skladom 20 ks na dopyt
+
-
ks