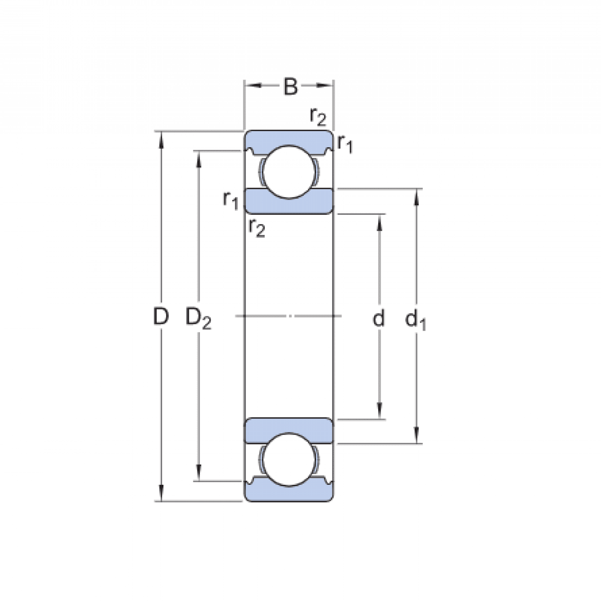
Ložisko 6005 - CX

Rozmer: 25x47x12 Značka: CX
Skladom 21 ks na dopyt
+
-
ks