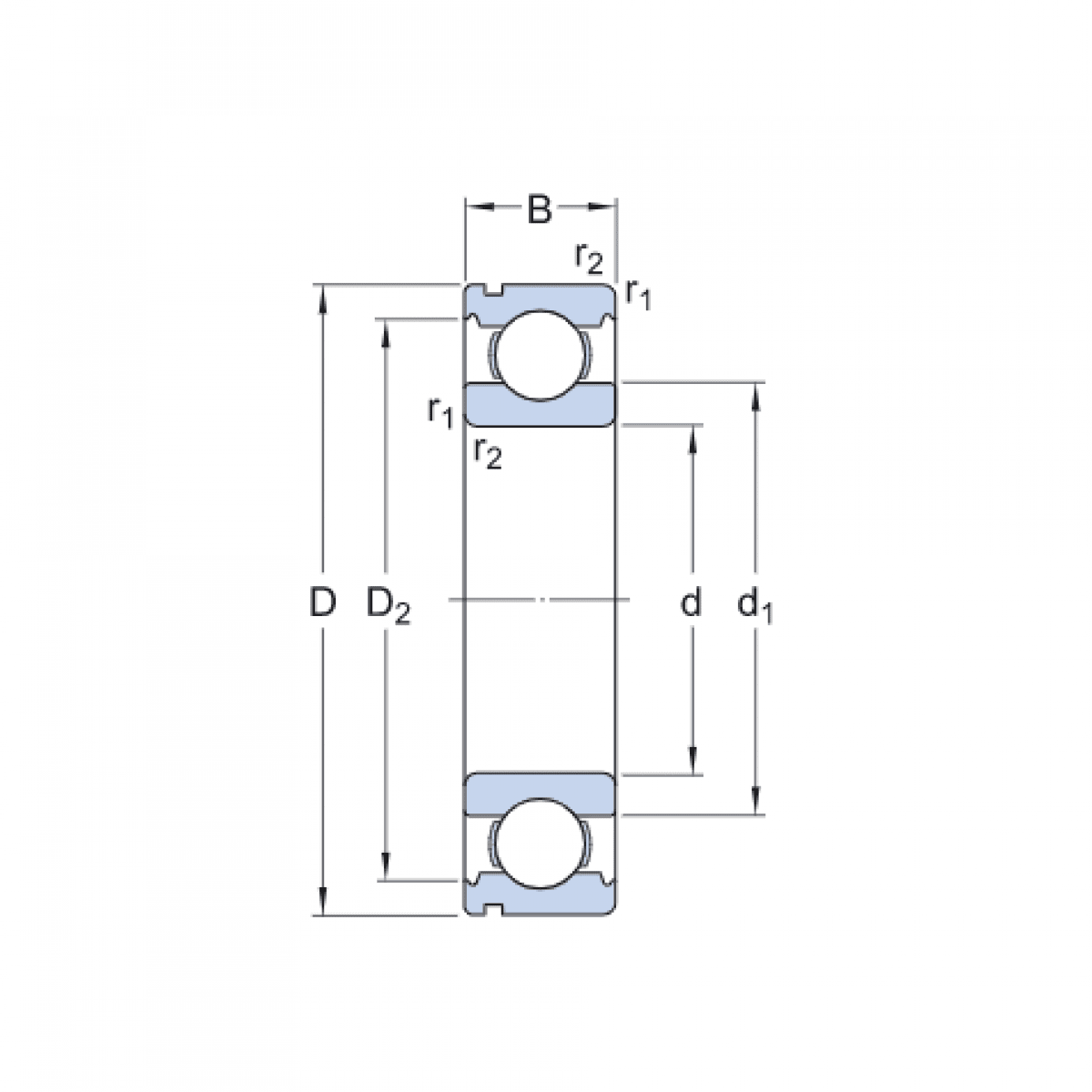
Ložisko 6005 N - CX

Rozmer: 25x47x12 Značka: CX
Skladom 12 ks na dopyt
+
-
ks