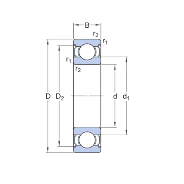
Ložisko 6006 2RS C3 - KOYO

Rozmer: 30x55x13 Značka: KOYO-TORRINGTON
Externý sklad na dopyt
+
-
ks