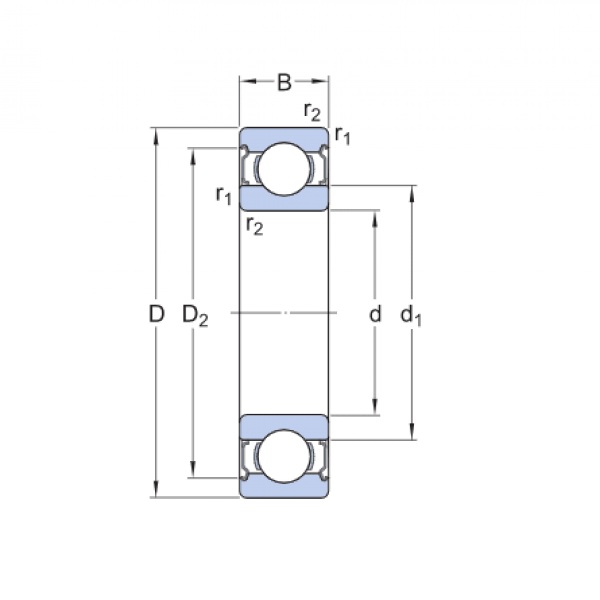
Ložisko 6006 2RS C3 - MTM

Rozmer: 30x55x13 Značka: MTM
Skladom 6 ks na dopyt
+
-
ks