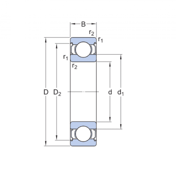
Ložisko 6006 2RS C3 - ZVL

Rozmer: 30x55x13 Značka: ZVL
Externý sklad na dopyt
+
-
ks