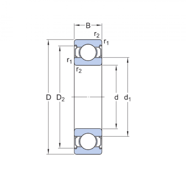
Ložisko 6006 2RS - ZKL NEW

Rozmer: 30x55x13 Značka: ZKL
Externý sklad na dopyt
+
-
ks