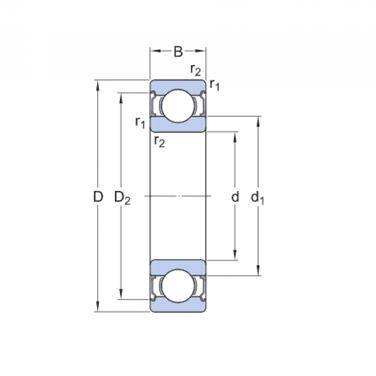
Ložisko 6006 2Z - CX

Rozmer: 30x55x13 Značka: CX
Externý sklad na dopyt
+
-
ks