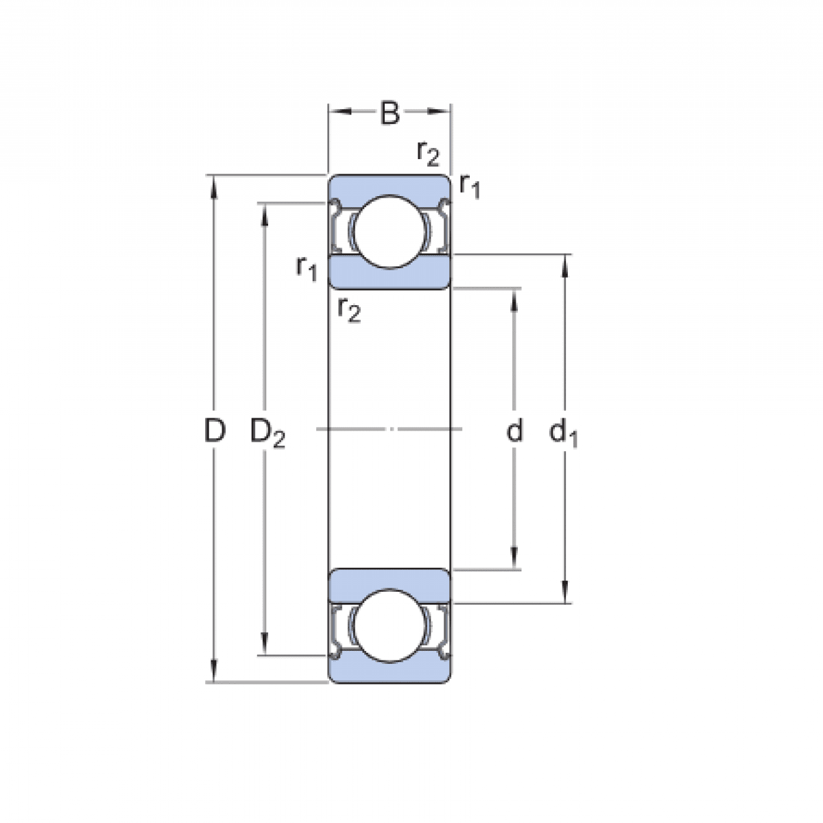
Ložisko 6006 2Z - KBS

Rozmer: 30x55x13 Značka: KBS, KBC
Externý sklad na dopyt
+
-
ks