Ložisko 6006 2Z - MTM

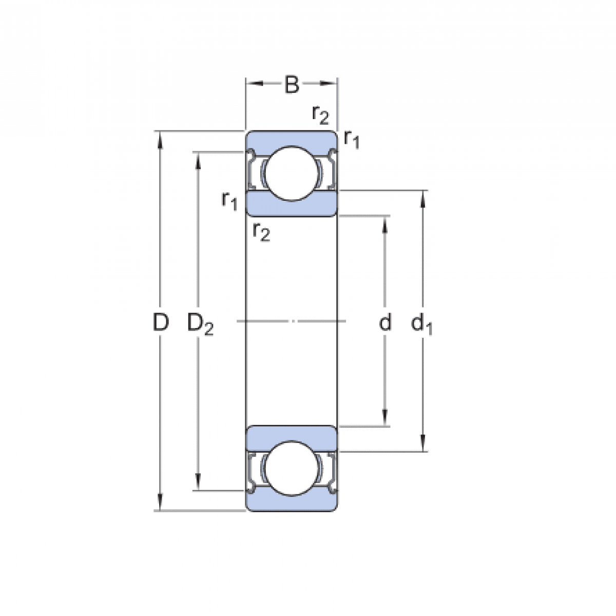
Rozmer: 30x55x13 Značka: MTM
Skladom 12 ks na dopyt
+
-
ks