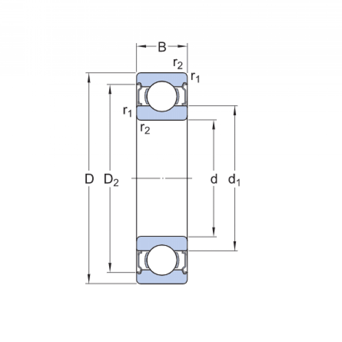
Ložisko 6006 2Z P6 - BBC

Rozmer: 30x55x13 Značka: BBC
Skladom 25 ks na dopyt
+
-
ks