Ložisko 6006 C3 - CX

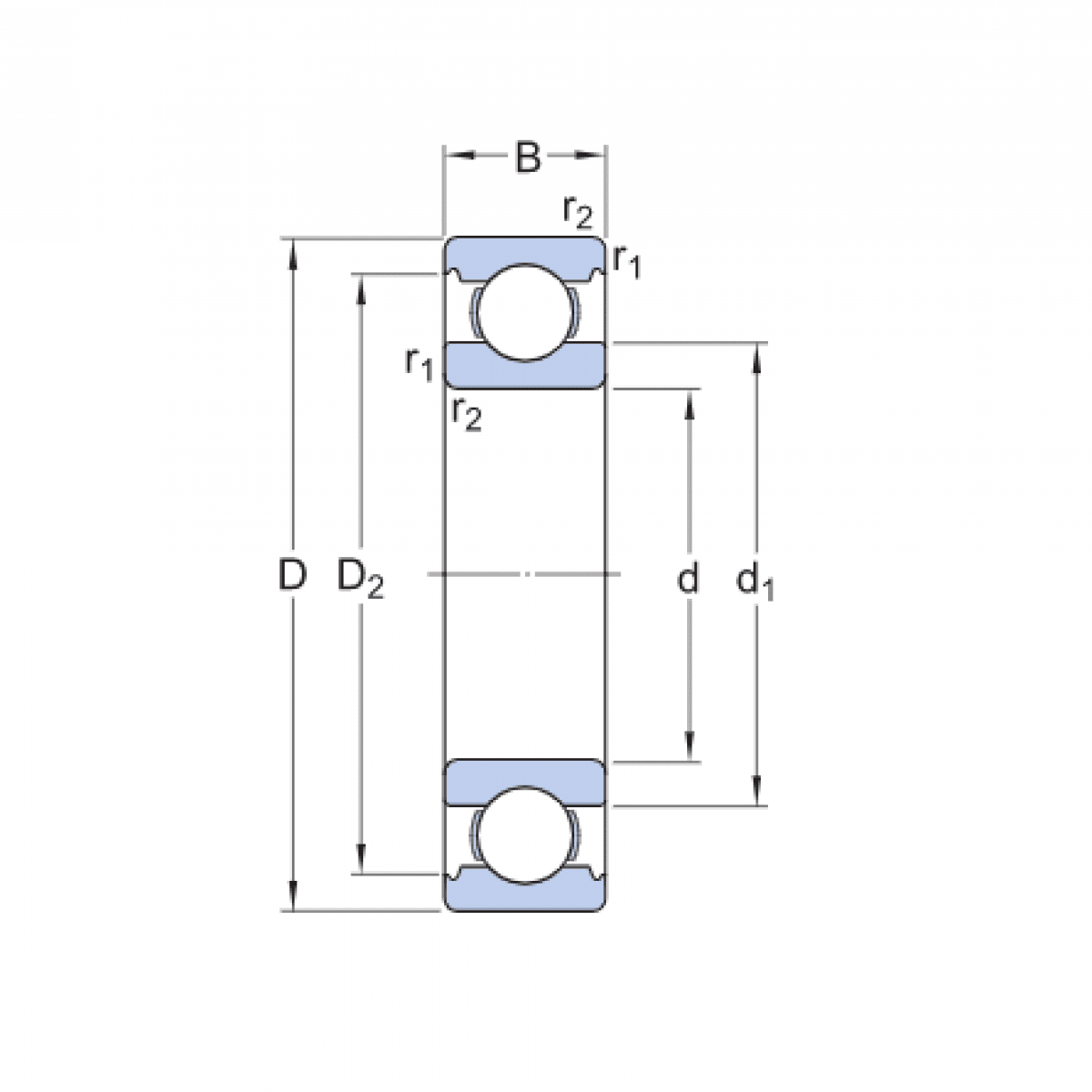
Rozmer: 30x55x13 Značka: CX
Skladom 23 ks na dopyt
+
-
ks