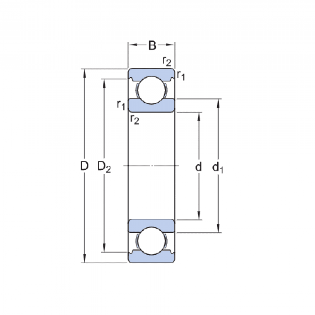
Ložisko 6006 C3 - FAG

Rozmer: 30x55x13 Značka: FAG
Externý sklad na dopyt
+
-
ks