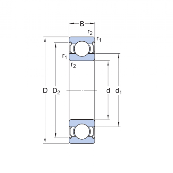
Ložisko 6006/32 2RS1 VB005 - SKF

Rozmer: 32x55x13 Značka: SKF
Externý sklad na dopyt
+
-
ks