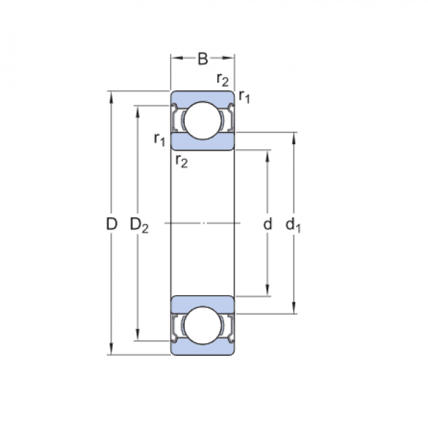
Ložisko 6007 2RS C3 - KOYO

Rozmer: 35x62x14 Značka: KOYO-TORRINGTON
Externý sklad na dopyt
+
-
ks