Ložisko 6007 2RS C3 - ZVL

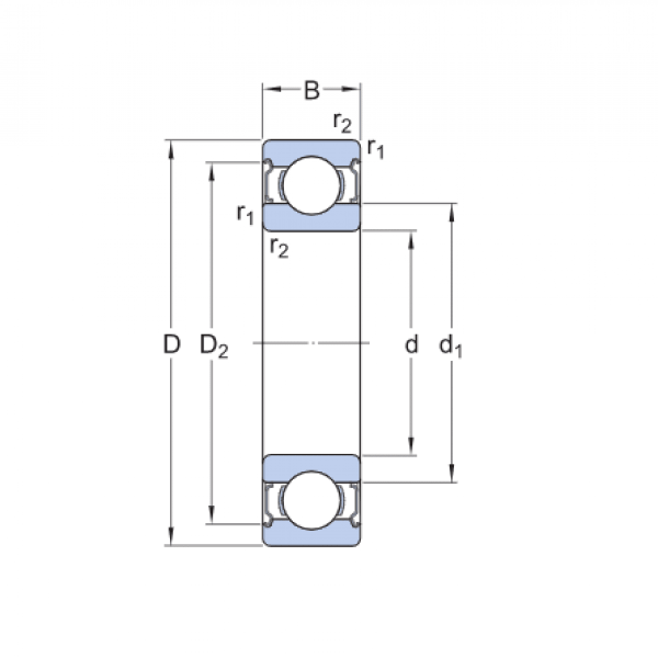
Rozmer: 35x62x14 Značka: ZVL
Skladom 5 ks na dopyt
+
-
ks