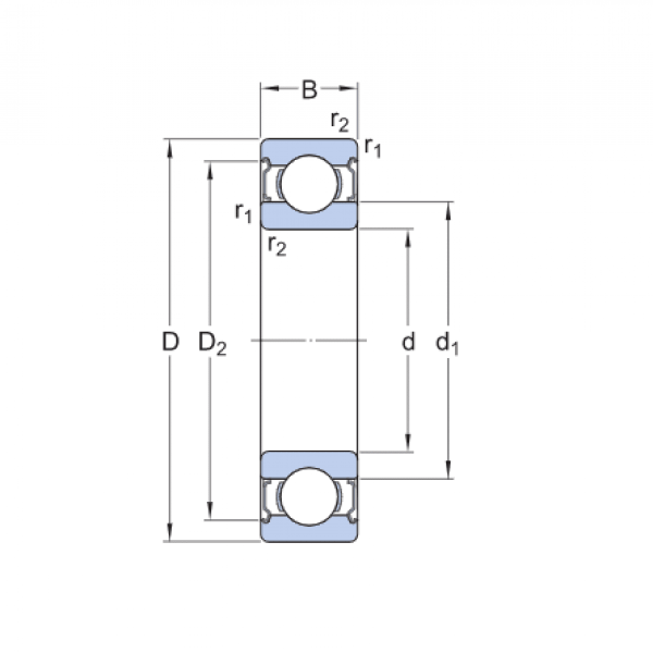
Ložisko 6007 2RS - MTM

Rozmer: 35x62x14 Značka: MTM
Externý sklad na dopyt
+
-
ks