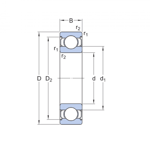
Ložisko 6007 2RS - ZKL NEW

Rozmer: 35x62x14 Značka: ZKL
Externý sklad na dopyt
+
-
ks