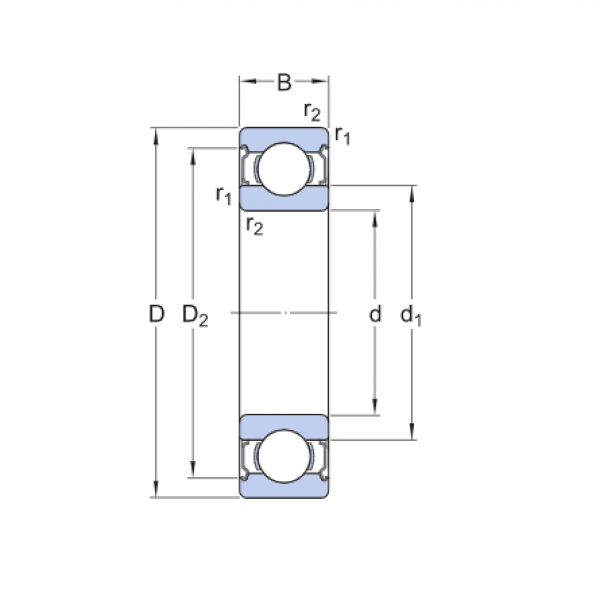
Ložisko 6007 2RSR - FAG

Rozmer: 35x62x14 Značka: FAG
Externý sklad na dopyt
+
-
ks