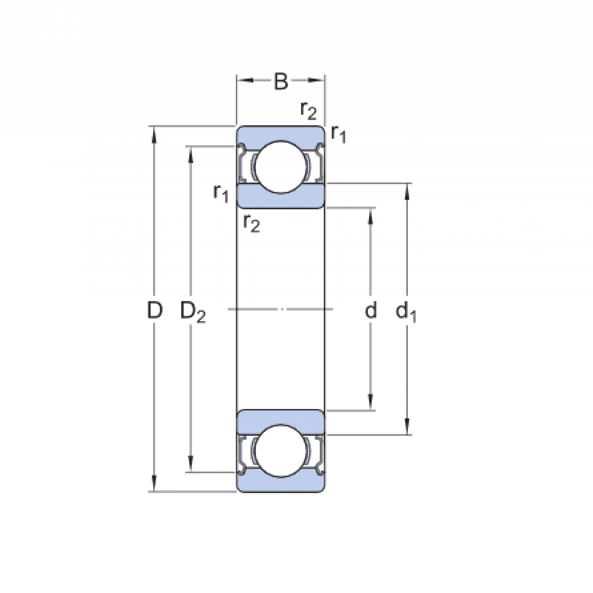
Ložisko 6007 2Z C3 - CX

Rozmer: 35x62x14 Značka: CX
Skladom 10 ks na dopyt
+
-
ks