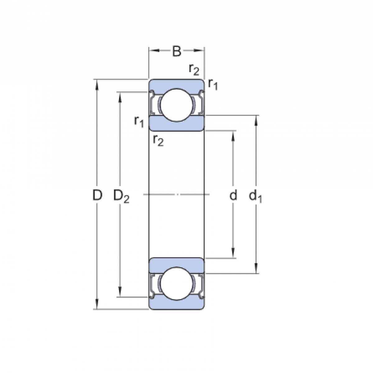
Ložisko 6007 2Z - CX

Rozmer: 35x62x14 Značka: CX
Externý sklad na dopyt
+
-
ks