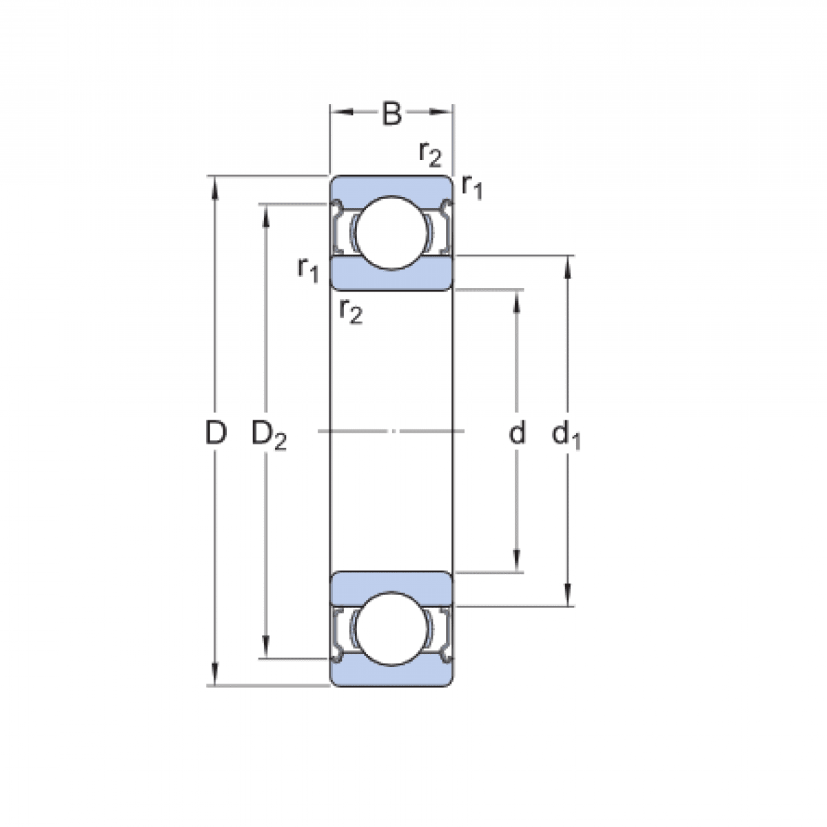
Ložisko 6007 2Z - KINEX

Rozmer: 35x62x14 Značka: KINEX
Externý sklad na dopyt
+
-
ks