Ložisko 6007 2Z NR - KOYO

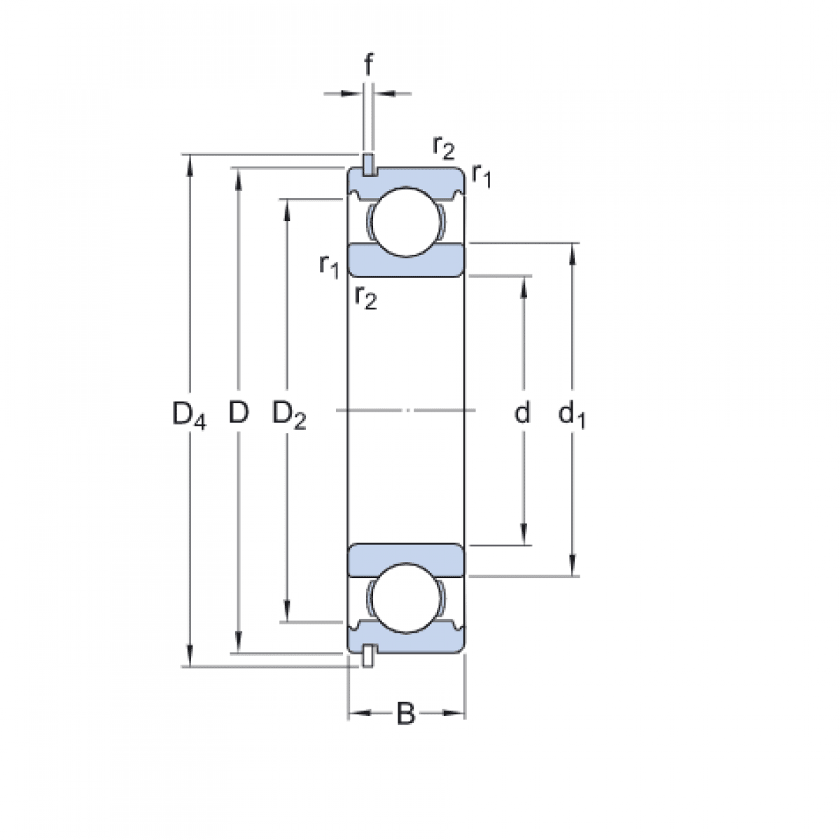
Rozmer: 35x62x14 Značka: KOYO-TORRINGTON
Externý sklad na dopyt
+
-
ks