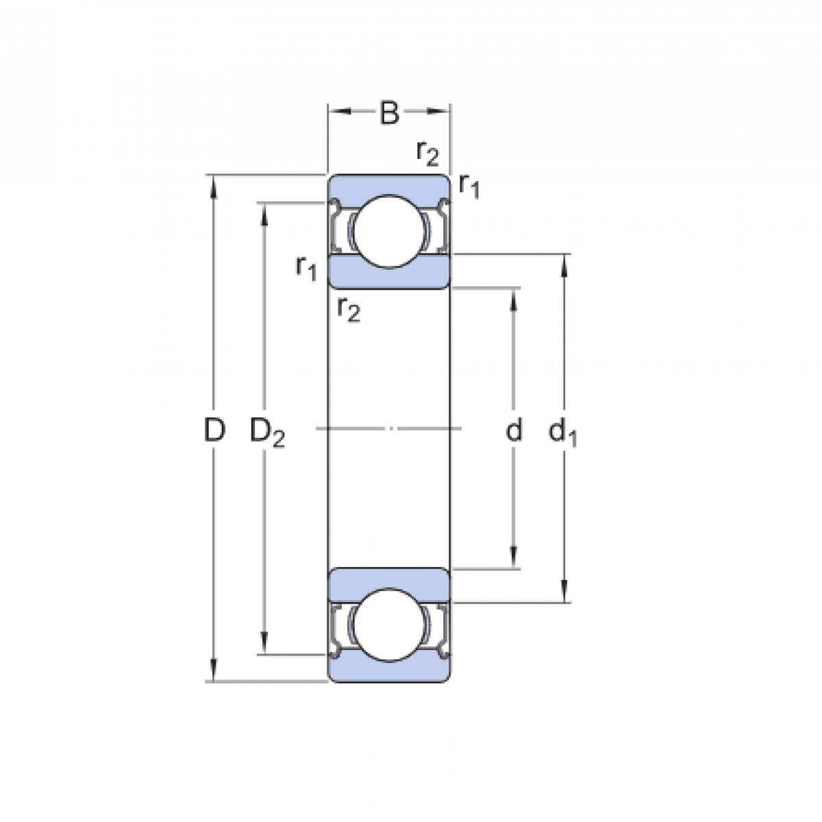
Ložisko 6007 LLU/AP63E/L020 - NTN

Rozmer: 35x62x14 Značka: NTN
Externý sklad na dopyt
+
-
ks