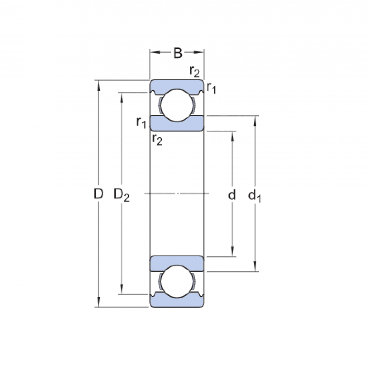
Ložisko 6007 - MGM

Rozmer: 35x62x14 Značka: MGM
Externý sklad na dopyt
+
-
ks