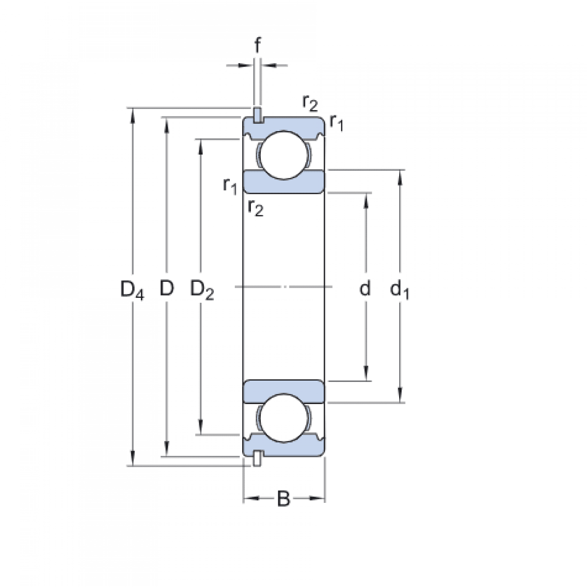
Ložisko 6007 NR C3 - SKF

Rozmer: 35x62x14 Značka: SKF
Skladom 4 ks na dopyt
+
-
ks