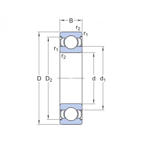
Ložisko 6007K 2Z N - ZKL

Rozmer: 35x62x14 Značka: FBJ
Externý sklad na dopyt
+
-
ks