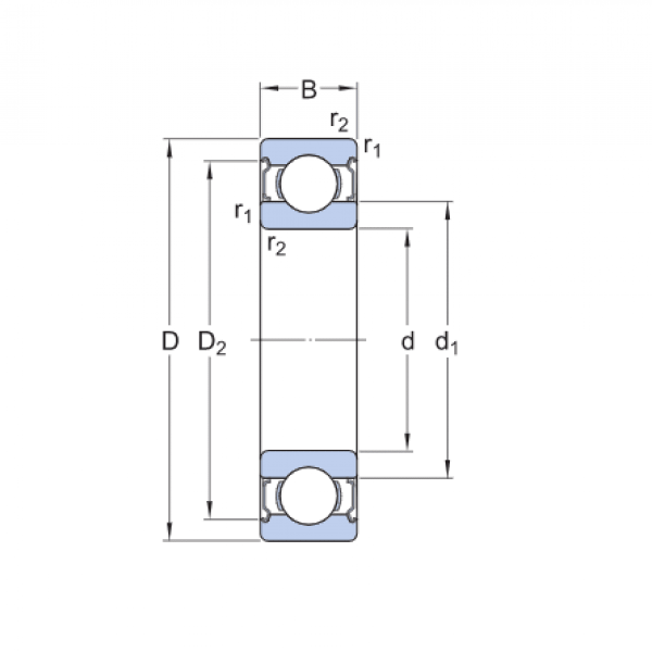
Ložisko 6008 2RS C3 - ZVL

Rozmer: 40x68x15 Značka: ZVL
Skladom 3 ks na dopyt
+
-
ks