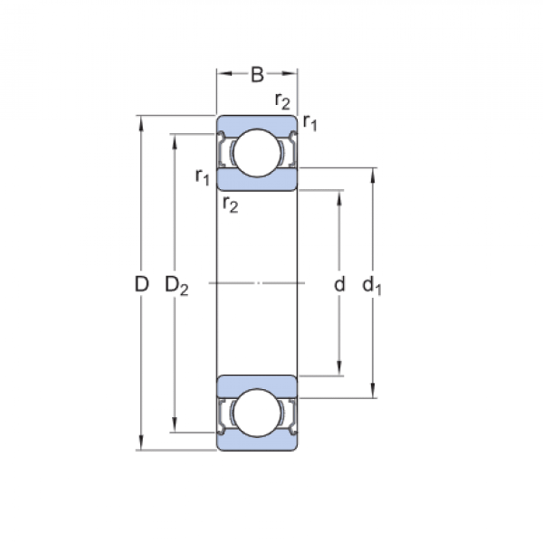
Ložisko 6008 2RS - CX

Rozmer: 40x68x15 Značka: CX
Externý sklad na dopyt
+
-
ks