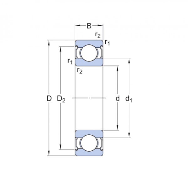
Ložisko 6008 2RS NR - NACHI

Rozmer: 40x68x15 Značka: NACHI
Externý sklad na dopyt
+
-
ks