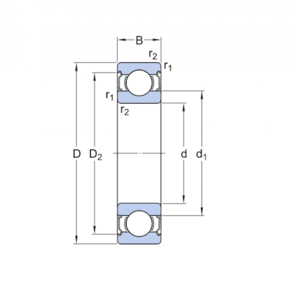
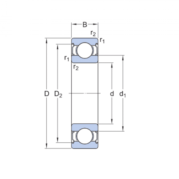
Ložisko 6008 2RS P6 - BBC

Rozmer: 40x68x15 Značka: BBC
Skladom 30 ks na dopyt
+
-
ks