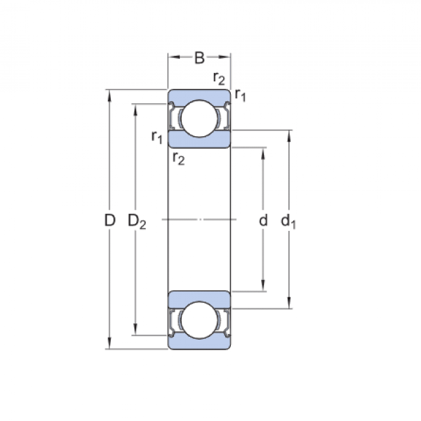
Ložisko 6008 2RS - ZEN

Rozmer: 40x68x15
Skladom 6 ks na dopyt
+
-
ks