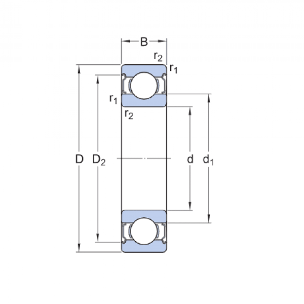
Ložisko 6008 2RS - ZKL NEW

Rozmer: 40x68x15 Značka: ZKL
Externý sklad na dopyt
+
-
ks