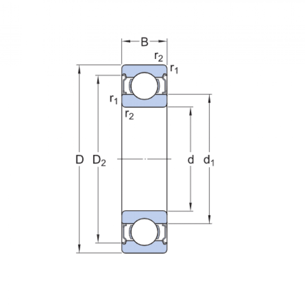
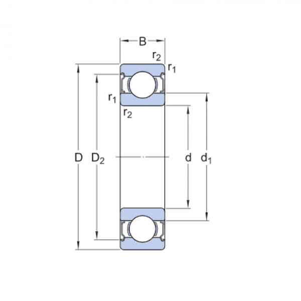
Ložisko 6008 2RS - ZLK

Rozmer: 40x68x15 Značka: CHINA+OSTATNÉ
Skladom 1 ks na dopyt
+
-
ks