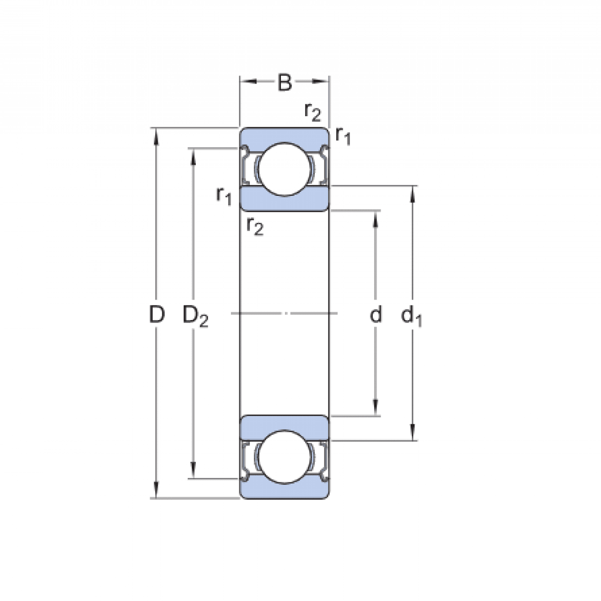
Ložisko 6008 2Z - BBC

Rozmer: 40x68x15 Značka: BBC
Skladom 17 ks na dopyt
+
-
ks