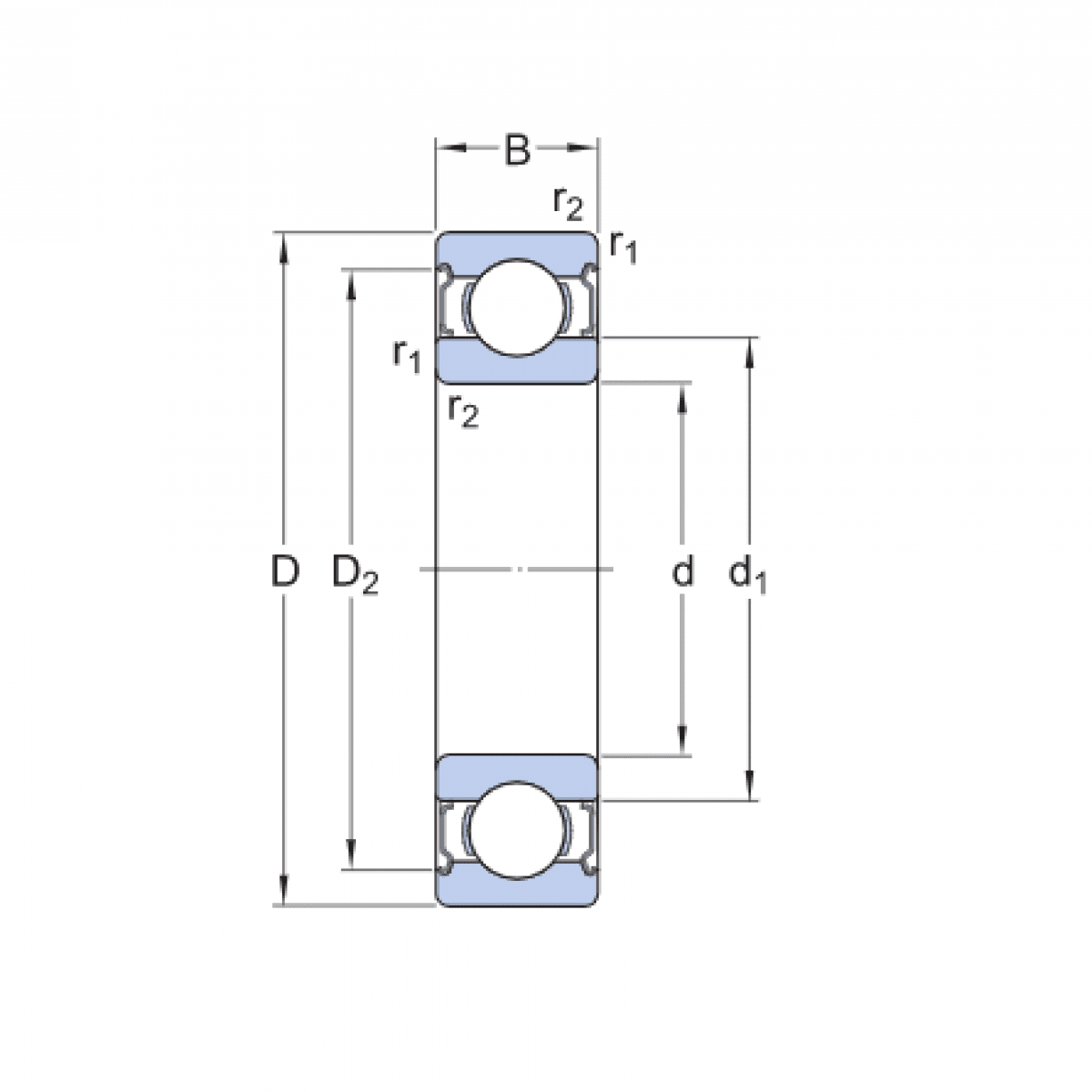
Ložisko 6008 2Z - MTM

Rozmer: 40x68x15 Značka: MTM
Externý sklad na dopyt
+
-
ks