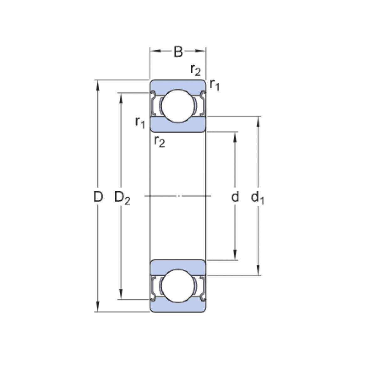
Ložisko 6008 2Z - SKF

Rozmer: 40x68x15 Značka: SKF
Skladom 100 ks na dopyt
+
-
ks